205 T8
-
daro
- Junior
- Posty: 406
- Rejestracja: 20 lis wt, 2007 10:17 pm
- Posiadany PUG: 205 CTI 2.0T, 205 GT, 604 GTI, R5 GT TURBO, CITROEN CX TURBO 2, CITROEN 2CV 78r.
- Numer Gadu-gadu: 0
- Login tlen: daro406
- Lokalizacja: wrocław
- Kontakt:
Re: 205 T8
Gratuluje wreszcie coś sie ruszyło
. Skrzynie załóż krótką jam mam u siebie od 1.6 i jest ok, i przy okazji wymień sobie uszczelkę pod głowicą u mnie szybko wydmuchało i sprawdż turbine też szybko padła.Kompa masz z immo? bo jak tak to troszkę będzie kosztowało
.Jak byś potrzebował to mam parę schematów żeby to jakos połączyć z budą. Pozdrawiam i powodzenia.
- moralez
- Peugeot 205 Master
- Posty: 4918
- Rejestracja: 30 sie wt, 2005 3:42 pm
- Posiadany PUG: 205......T8, 205 GTI 1.6
- Numer Gadu-gadu: 2955602
- Lokalizacja: Włocławek
- Kontakt:
Re: 205 T8
Dzis wykorzystujac przerwe w opadach deszczu udalo mi sie wstepnie zamontowac sanki z 405 razem z maglownica. Niestety trzeba je bedzie przesunac troche do przodu, umozliwi to polaczenie maglownicy z kolumna kierownicza.
Zdjec nie ma, bo i tak niewiele byloby widac.
Zdjec nie ma, bo i tak niewiele byloby widac.
- Para
- Peugeot 205 Master
- Posty: 10182
- Rejestracja: 30 cze pn, 2003 6:31 pm
- Posiadany PUG: najlepszy
- Numer Gadu-gadu: 1559591
- Lokalizacja: Baile Átha Cliath
- Kontakt:
Re: 205 T8
I jak tam Moralez ? Kiedy pierwsza jazda ? ;>
- moralez
- Peugeot 205 Master
- Posty: 4918
- Rejestracja: 30 sie wt, 2005 3:42 pm
- Posiadany PUG: 205......T8, 205 GTI 1.6
- Numer Gadu-gadu: 2955602
- Lokalizacja: Włocławek
- Kontakt:
Re: 205 T8
mysle ze przed euro 2012 
- moralez
- Peugeot 205 Master
- Posty: 4918
- Rejestracja: 30 sie wt, 2005 3:42 pm
- Posiadany PUG: 205......T8, 205 GTI 1.6
- Numer Gadu-gadu: 2955602
- Lokalizacja: Włocławek
- Kontakt:
Re: 205 T8
Dzis uzbroilem auto w zbiorniczek plynu chlodniczego z TD, co da troche wolnego miejsca miedzy grodzia a silnikiem.
- Lord Devil
- Peugeot 205 Master
- Posty: 2609
- Rejestracja: 26 mar pt, 2004 1:44 pm
- Posiadany PUG: 205 CTi i 205 GTi Griffe
- Numer Gadu-gadu: 6446898
- Lokalizacja: Lublin
- Kontakt:
Re: 205 T8
Fajnie, ze dzialasz. Trzymam kciuki, ze bedzie to pierwsze polskie 4x4 205. Powodzenia.
Car Valeting, Car Detailing.
- moralez
- Peugeot 205 Master
- Posty: 4918
- Rejestracja: 30 sie wt, 2005 3:42 pm
- Posiadany PUG: 205......T8, 205 GTI 1.6
- Numer Gadu-gadu: 2955602
- Lokalizacja: Włocławek
- Kontakt:
Re: 205 T8
Wczoraj zagoscila na drugim mcphersonie zwrotnica z 406 teraz tylko mala przerobka wahacza, sanek, .... szkoda gadac ile to jeszcze roboty.
- moralez
- Peugeot 205 Master
- Posty: 4918
- Rejestracja: 30 sie wt, 2005 3:42 pm
- Posiadany PUG: 205......T8, 205 GTI 1.6
- Numer Gadu-gadu: 2955602
- Lokalizacja: Włocławek
- Kontakt:
Re: 205 T8
Ostatnio do glowy wpadla mi wizja co zrobic z 405
Jakis lepszy kolor, felgi, silnik i bedzie to zyc... tylko kiedy
Dodatkowo maly odcinek edukacyjny
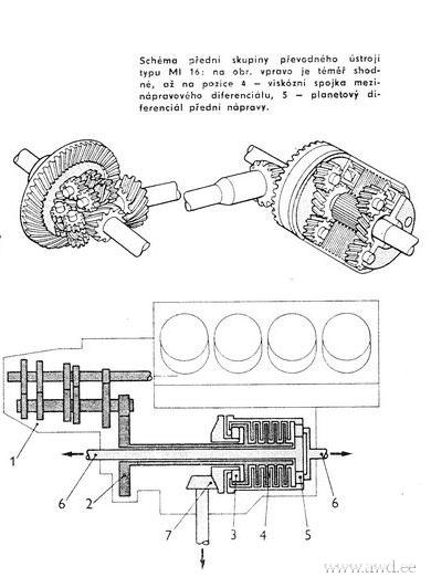
Na tym rysunku przedstawiono budowe napedu ktory byl w 405 mi16x4 i bedzie w 205.
Mechanizm roznicowy miedzyosiowy ze sprzeglem lepkosciowym, z tylu mechanizm roznicowy Torsena. Niektorzy nazywaja to polszpera. Tutaj mamy naped taki jaki byl w slabszych 405 i bedzie w pickupie
Mechanizm roznicowy miedzyosiowy z blokada uruchamiana recznie za pomoca przyciskiu w tandemie z blokada tylnego dyferencjalu, ktory jest klasyczny.
Jakis lepszy kolor, felgi, silnik i bedzie to zyc... tylko kiedy
Na tym rysunku przedstawiono budowe napedu ktory byl w 405 mi16x4 i bedzie w 205.
Mechanizm roznicowy miedzyosiowy ze sprzeglem lepkosciowym, z tylu mechanizm roznicowy Torsena. Niektorzy nazywaja to polszpera. Tutaj mamy naped taki jaki byl w slabszych 405 i bedzie w pickupie
Mechanizm roznicowy miedzyosiowy z blokada uruchamiana recznie za pomoca przyciskiu w tandemie z blokada tylnego dyferencjalu, ktory jest klasyczny.
- zen81
- Uzalezniony
- Posty: 506
- Rejestracja: 15 lip pt, 2005 11:45 pm
- Posiadany PUG: Clio
- Lokalizacja: Starogard Gdanski
Re: 205 T8
Nie czujesz sie juz jak Frankensteinmoralez pisze:Ostatnio do glowy wpadla mi wizja co zrobic z 405
Jakis lepszy kolor, felgi, silnik i bedzie to zyc... tylko kiedy
Zero łaski, zero wzruszeń..
-------------------------
-------------------------
- moralez
- Peugeot 205 Master
- Posty: 4918
- Rejestracja: 30 sie wt, 2005 3:42 pm
- Posiadany PUG: 205......T8, 205 GTI 1.6
- Numer Gadu-gadu: 2955602
- Lokalizacja: Włocławek
- Kontakt:
Re: 205 T8
Jesli na koncu zdania mial byc "?" to odpowiem ze jeszcze nie, bo poki co projekt nie jezdzi
Dzis kolejny "postep"
W belke z 309 wlozylem wahacze z 205 1.4 Roznica w szerokosci wynosi dokladnie tyle ile drazki wchodza w wielowpusty w mocowaniach belki. Teraz duzo odrdzewiacza i moze uda sie je wybic. Potem demontoaz wszelkich hamulcy i lozysk. Jesli pomiary beda optymistyczne to moze uda sie zrobic zawias z tylu w wariancie B
Dzis kolejny "postep"
W belke z 309 wlozylem wahacze z 205 1.4 Roznica w szerokosci wynosi dokladnie tyle ile drazki wchodza w wielowpusty w mocowaniach belki. Teraz duzo odrdzewiacza i moze uda sie je wybic. Potem demontoaz wszelkich hamulcy i lozysk. Jesli pomiary beda optymistyczne to moze uda sie zrobic zawias z tylu w wariancie B
- moralez
- Peugeot 205 Master
- Posty: 4918
- Rejestracja: 30 sie wt, 2005 3:42 pm
- Posiadany PUG: 205......T8, 205 GTI 1.6
- Numer Gadu-gadu: 2955602
- Lokalizacja: Włocławek
- Kontakt:
Re: 205 T8
Dzis zalozylem przerobione pod swoznie z 406, wahacze z 405. Okazuje sie ze negatyw bedzie nadal spory. Lezac tak pod autem przyszedl mi do glowy kolejny pomysl na zawias z przodu.

Zamiast blachy ze sworzniem zainstaluje blache z otworem na sworzen. Pozwoli to korygowac geometrie kol dowoli
Wariant B zawieszenia z tylu odpadl jeszcze przed rozlozeniem wahacza, wiec nawet nie opisuje.
Z ciekawostek okazalo sie, ze bedzie trzeba obnizyc silnik ze skrzynia jakies 3 cm bo sanki z 405 sa chyba wyzsze od tych z 205 i po poskladaniu do kupy okazalo sie ze wal wychodzacy na tyl ma stosunek z maglownica
W sumie to dobrze spora masa bedzie nizej, naped bedzie mogl isc nizej, wiecej miejsca na wydech.
Zamiast blachy ze sworzniem zainstaluje blache z otworem na sworzen. Pozwoli to korygowac geometrie kol dowoli
Wariant B zawieszenia z tylu odpadl jeszcze przed rozlozeniem wahacza, wiec nawet nie opisuje.
Z ciekawostek okazalo sie, ze bedzie trzeba obnizyc silnik ze skrzynia jakies 3 cm bo sanki z 405 sa chyba wyzsze od tych z 205 i po poskladaniu do kupy okazalo sie ze wal wychodzacy na tyl ma stosunek z maglownica
W sumie to dobrze spora masa bedzie nizej, naped bedzie mogl isc nizej, wiecej miejsca na wydech.
- cejot
- Forum Admin
- Posty: 3566
- Rejestracja: 23 kwie pn, 2007 1:37 am
- Posiadany PUG: 205 Automatic, 205 El Charro, 205 ...
- Lokalizacja: Warszawa
Re: 205 T8
To bardzo interesujące...moralez pisze:sanki z 405 sa chyba wyzsze od tych z 405
Z niecierpliwością czekam na dalsze nowości.
- moralez
- Peugeot 205 Master
- Posty: 4918
- Rejestracja: 30 sie wt, 2005 3:42 pm
- Posiadany PUG: 205......T8, 205 GTI 1.6
- Numer Gadu-gadu: 2955602
- Lokalizacja: Włocławek
- Kontakt:
Re: 205 T8
Juz poprawilem 
Kiedy w aucie masz zbieranine czesci z 205,309,405,406 teraz w planach wahacze z 306 to moze sie pomieszac.
Kiedy w aucie masz zbieranine czesci z 205,309,405,406 teraz w planach wahacze z 306 to moze sie pomieszac.
- moralez
- Peugeot 205 Master
- Posty: 4918
- Rejestracja: 30 sie wt, 2005 3:42 pm
- Posiadany PUG: 205......T8, 205 GTI 1.6
- Numer Gadu-gadu: 2955602
- Lokalizacja: Włocławek
- Kontakt:
Re: 205 T8
Wczoraj upadl wariant B, dzis upadl warian A
Wahacz z 405 w miejscu gdzie ma "zawias" wewnatrz nie ma przekroju rury, srodek jest miejscami pusty. Zatem mozna zapomniec o prasowaniu czopow w ten wahacz. W role jeszcze wchodzi wariant C ktory bylby podobny do tego Chyba jutro sprobuje wymodelowac zbiornik paliwa opalarka. ( Najwyzej polegne smiercia konstruktora, wazne ze widowiskowo
)
Mam nadzieje ze chociaz to sie uda
Wahacz z 405 w miejscu gdzie ma "zawias" wewnatrz nie ma przekroju rury, srodek jest miejscami pusty. Zatem mozna zapomniec o prasowaniu czopow w ten wahacz. W role jeszcze wchodzi wariant C ktory bylby podobny do tego Chyba jutro sprobuje wymodelowac zbiornik paliwa opalarka. ( Najwyzej polegne smiercia konstruktora, wazne ze widowiskowo
Mam nadzieje ze chociaz to sie uda
-
daro
- Junior
- Posty: 406
- Rejestracja: 20 lis wt, 2007 10:17 pm
- Posiadany PUG: 205 CTI 2.0T, 205 GT, 604 GTI, R5 GT TURBO, CITROEN CX TURBO 2, CITROEN 2CV 78r.
- Numer Gadu-gadu: 0
- Login tlen: daro406
- Lokalizacja: wrocław
- Kontakt:
Re: 205 T8
Jak to z przeróbkami zawsze jakaś planu wyjdzie,dobrze że odpuścilem montaż napędu x4 do cabrio trochę szkoda bylo by go ciąć.Ale napęd już mam i pójdzię do innego modelu.Może na wiosnę razem wyjedziemy x4
Powodzenia.
